This 2005 Dodge Ram Truck 1500, 2500, 3500 Service Manual is a licensed, high-quality, PRINT reproduction of the manual created by the original equipment manufacturer (OEM), Dodge Division for use by their dealership mechanics. Beautifully published here by Detroit Iron®, this reprinted manual is packed with detailed repair procedures, diagnostic instructions, illustrations and specifications making it the ultimate resource for accurate maintenance, troubleshooting and complete vehicle repair. It retains ALL of the OEM content and includes SRT-10 and diesel models.
This factory-written manual measures 8.5 x 11 inches, is paperback bound and contains a staggering 8,438 pages of comprehensive mechanical instructions! Please see the included table of contents pages for a look at how comprehensively these MOPAR machines have been covered. While you're looking, we've also provided sample pages that show some of the handy illustrations, electrical schematics, notes and step-by-step instructions you'll find out throughout this massive set.
Covering key systems such as the engine, transmission, suspension, brakes, steering, electrical, fuel and more, this shop manual set is perfect for DIY owners, restorers and professional mechanics working on the covered vehicles.
- OEM-authored content - trusted factory procedures
- Comprehensive system coverage - mechanical, electrical & more
- Clear diagrams and specs - step-by-step accuracy
- Thick, high-quality paper / durable print format - ideal for garage or shop use
Whether you're performing routine service or tackling a full rebuild, this factory-authored shop manual gives you the information and confidence to get the jobs done right.
Vehicle Applications:
- 2005 Dodge Ram 1500 Laramie Truck
- 2005 Dodge Ram 1500 SLT Truck
- 2005 Dodge Ram 1500 SRT-10 Truck
- 2005 Dodge Ram 1500 ST Truck
- 2005 Dodge Ram 2500 Laramie Truck
- 2005 Dodge Ram 2500 SLT Truck
- 2005 Dodge Ram 2500 ST Truck
- 2005 Dodge Ram 3500 Laramie Truck
- 2005 Dodge Ram 3500 SLT Truck
- 2005 Dodge Ram 3500 ST Truck
This licensed, factory-written 2005 Dodge Ram shop manual reproduction is the perfect for service, repairs restoration and rebuild projects. Clear illustrations and text show component details, factory-correct specifications, engine repair details and much more.
Subject: 2005 Dodge Ram Truck 1500, 2500, 3500 Service Manual - Includes Detailed Procedures and Instructions. | ISBN-10: 1791422373 | ISBN-13: 9781791422370 | OEM Part Number: 81-370-05059A, 81-370-05059B, 81-370-05059C, 81-370-05059D
2005 Dodge Ram Truck 1500, 2500, 3500 Service Manual - Table of Contents 1
2005 Dodge Ram Truck 1500, 2500, 3500 Service Manual - Table of Contents 2
2005 Dodge Ram Truck 1500, 2500, 3500 Service Manual - Table of Contents 3
2005 Dodge Ram Truck 1500, 2500, 3500 Service Manual - Table of Contents 4

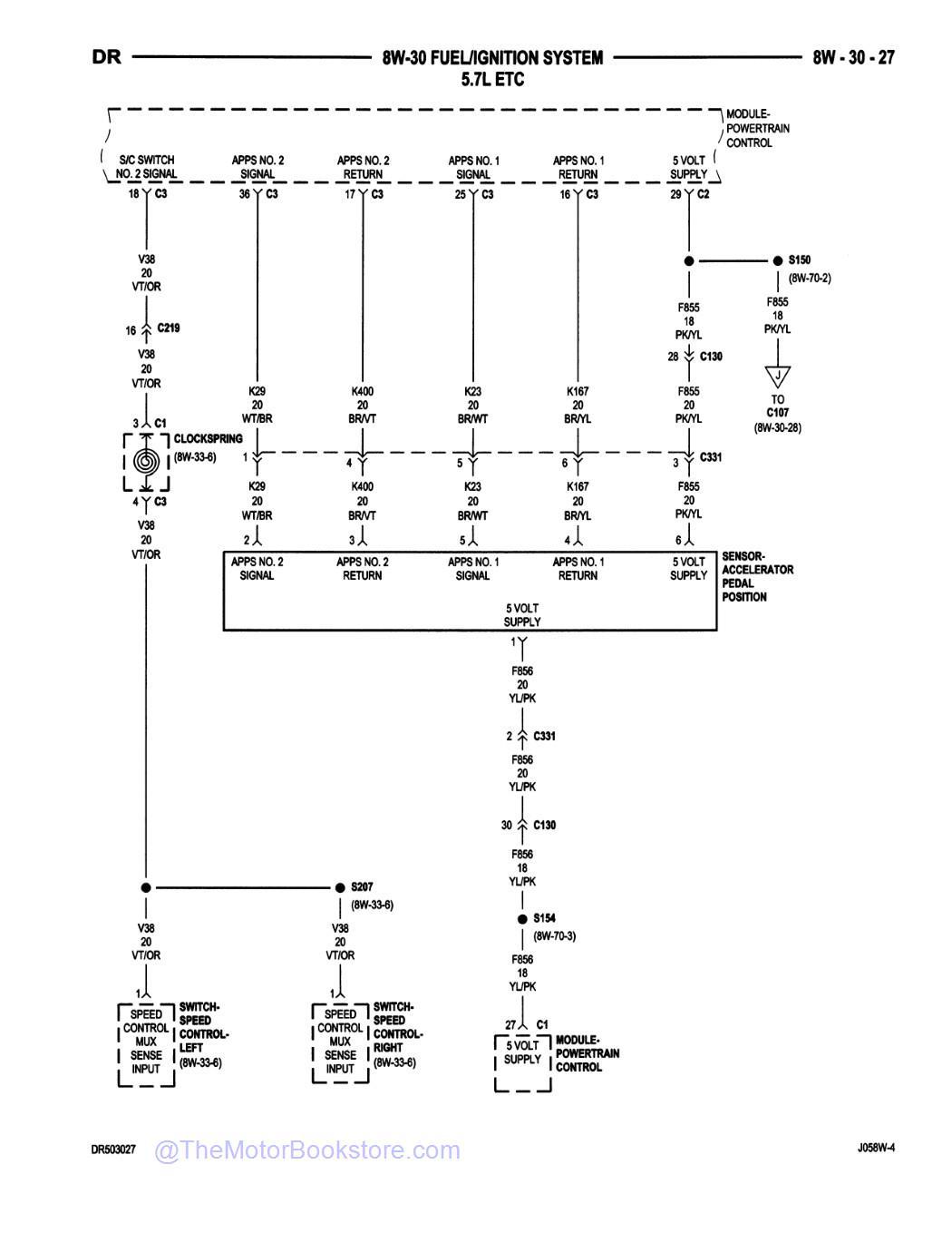
Sample Page:
Below: 2005 Dodge Ram Truck 1500, 2500, 3500 Service Manual - Sample Page 1
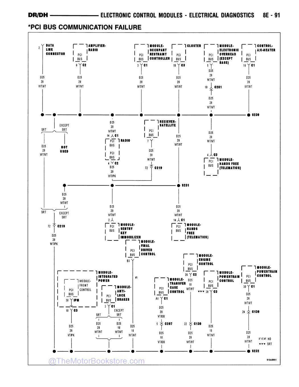
Sample Page:
Below: 2005 Dodge Ram Truck 1500, 2500, 3500 Service Manual - Sample Page 2
Sample Page:
Below: 2005 Dodge Ram Truck 1500, 2500, 3500 Service Manual - Sample Page 3
Sample Page:
Below: 2005 Dodge Ram Truck 1500, 2500, 3500 Service Manual - Sample Page 4
Sample Page:
Below: 2005 Dodge Ram Truck 1500, 2500, 3500 Service Manual - Sample Page 5