This 1988 - 1991 Chevrolet & GMC C/K Truck Parts Catalog by Detroit Iron® is a high-quality, licensed PRINT reproduction of the parts catalog written and first published by the experts at the original equipment manufacturer (OEM), General Motors Corporation, for use by their dealership mechanics and parts department personnel.
This factory manual is 8.5 x 11 inches, paperback bound and contains 1802 pages of detailed parts related information, inlcuding: parts listings, exploded-view component diagrams, and OEM part number references for all major chassis and body components across Chevrolet and GMC models.
Whether you're performing routine service or tackling a full rebuild, this factory shop manual gives you the confidence to get the job done right.
Vehicle Applications:
- 1990 - 1991 Chevrolet C1500 454 SS Truck
- 1988 - 1991 Chevrolet C1500 Cheyenne Truck
- 1988 - 1991 Chevrolet C1500 Scottsdale Truck
- 1988 - 1991 Chevrolet C1500 Silverado Truck
- 1990 - 1991 Chevrolet C1500 WT Truck
- 1988 - 1991 Chevrolet C2500 Cheyenne Truck
- 1988 - 1991 Chevrolet C2500 Scottsdale Truck
- 1988 - 1991 Chevrolet C2500 Silverado Truck
- 1988 - 1991 Chevrolet C3500 Cheyenne Truck
- 1988 - 1991 Chevrolet C3500 Scottsdale Truck
- 1988 - 1991 Chevrolet C3500 Silverado Truck
- 1988 - 1991 Chevrolet K1500 Cheyenne Truck
- 1988 - 1991 Chevrolet K1500 Scottsdale Truck
- 1988 - 1991 Chevrolet K1500 Silverado Truck
- 1991 Chevrolet K1500 Sport Truck
- 1990 - 1991 Chevrolet K1500 WT Truck
- 1988 - 1991 Chevrolet K2500 Cheyenne Truck
- 1988 - 1991 Chevrolet K2500 Scottsdale Truck
- 1988 - 1991 Chevrolet K2500 Silverado Truck
- 1988 - 1991 Chevrolet K3500 Cheyenne Truck
- 1988 - 1991 Chevrolet K3500 Scottsdale Truck
- 1988 - 1991 Chevrolet K3500 Silverado Truck
- 1988 - 1991 GMC C1500 Sierra SLE Truck
- 1988 - 1991 GMC C1500 Sierra SLX Truck
- 1988 - 1991 GMC C1500 Sierra Truck
- 1988 - 1991 GMC C2500 Sierra SLE Truck
- 1988 - 1991 GMC C2500 Sierra SLX Truck
- 1988 - 1991 GMC C2500 Sierra Truck
- 1988 - 1991 GMC C3500 Sierra SLE Truck
- 1988 - 1991 GMC C3500 Sierra SLX Truck
- 1988 - 1991 GMC C3500 Sierra Truck
- 1988 - 1991 GMC K1500 Sierra SLE Truck
- 1988 - 1991 GMC K1500 Sierra SLX Truck
- 1988 - 1991 GMC K1500 Sierra Truck
- 1988 - 1991 GMC K2500 Sierra SLE Truck
- 1988 - 1991 GMC K2500 Sierra SLX Truck
- 1988 - 1991 GMC K2500 Sierra Truck
- 1988 - 1991 GMC K3500 Sierra SLE Truck
- 1988 - 1991 GMC K3500 Sierra SLX Truck
- 1988 - 1991 GMC K3500 Sierra Truck
This factory-written parts catalog is perfect for service, repairs, restoration, and rebuild projects. Detailed parts information via exploded diagram cutouts of sections of your vehicle assembly with parts numbers and textual descriptions. Great for helping discover interchangeable parts.
Subject: 1988, 1989, 1990, 1991 Chevrolet & GMC C/K Truck Parts and Illustrations Catalog - Includes Detailed Procedures and Instructions. | ISBN-10: 1791424163 | ISBN-13: 9781791424169 | OEM Part Number: 52C
1988 - 1991 Chevrolet & GMC C/K Truck Parts Catalog - Table of Contents 1
1988 - 1991 Chevrolet & GMC C/K Truck Parts Catalog - Table of Contents 2
1988 - 1991 Chevrolet & GMC C/K Truck Parts Catalog - Table of Contents 3

Sample Page:
Below:1988 - 1991 Chevrolet & GMC C/K Truck Parts Catalog - Sample Page 1
Sample Page:
Below:1988 - 1991 Chevrolet & GMC C/K Truck Parts Catalog - Sample Page 2
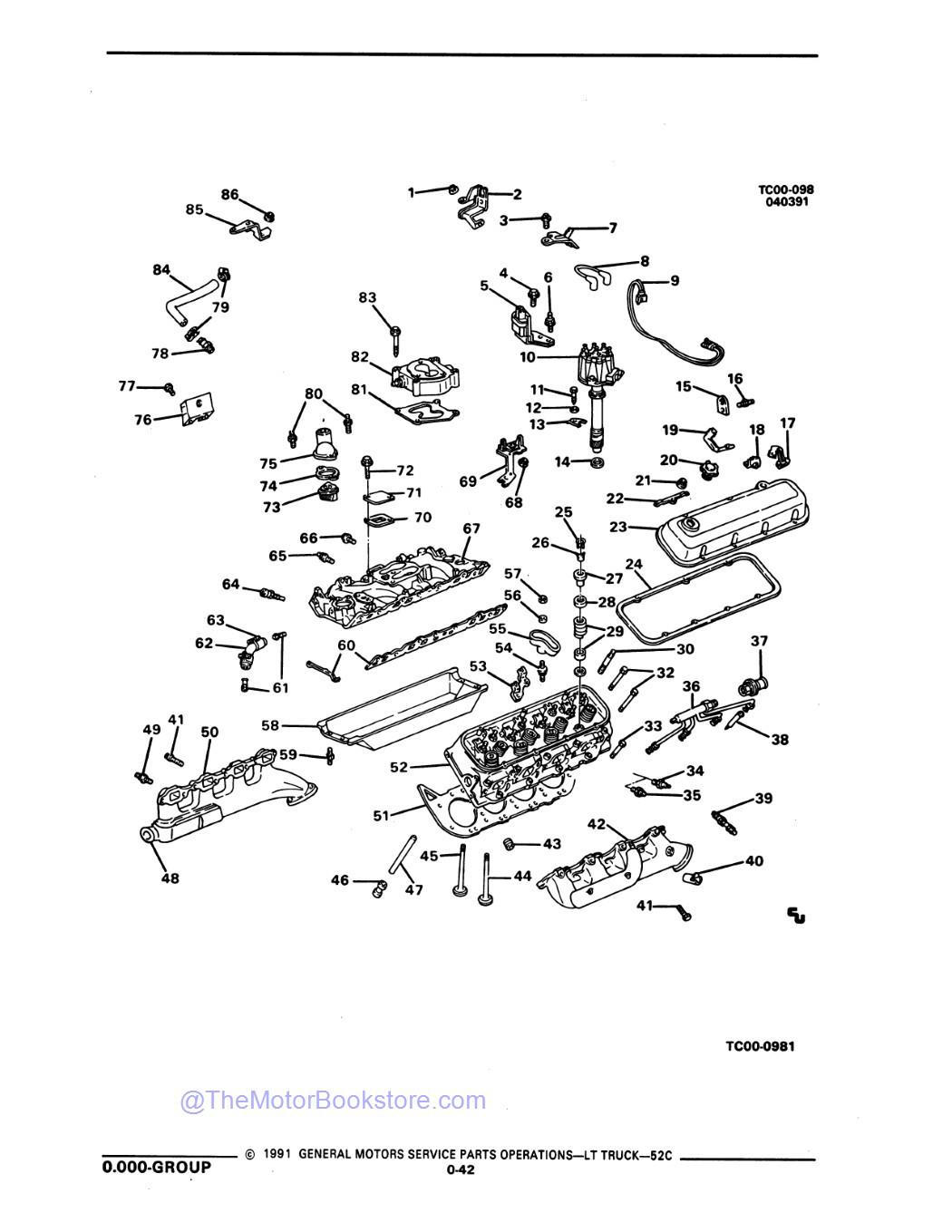
Sample Page:
Below:1988 - 1991 Chevrolet & GMC C/K Truck Parts Catalog - Sample Page 3