This OEM factory shop manual reprint covers 1957 Chevy Trucks. When we say it covers these trucks, we mean it! At over 900 pages, you'll find specifications and details on the major areas of these classic haulers. After a section describing unit serial numbers, load capacity and lubrication, you'll find details for such items as: body, frame, shock absorbers, front suspension, rear axle, universal joints, rear springs, brakes, engine, fuel system, clutch, cooling system, electrical, transmission, fuel and exhaust, steering, wheels and tires, chassis sheet metal and electrical system.
The comprehensive text has been handily accompanied by a large number and variety of visual aids such as black and white photographs and illustrations to be sure you have the information to get the jobs done right...and efficiently. This reproduction guide contains all of the content from the original manual, which was written by the vehicle manufacturer for use by their dealership mechanics back when these trucks first hit the streets and job sites. The 1957 Chevrolet CAR is one of the most famous vehicles of all time, but the 1957 Chevy truck was stylish, powerful and useful, too! When it's time to get to work on yours, be sure to pick up this service manual reprint. It's the best source to use for maintenance and repair on these classy chassis.
CHEVY MODELS COVERED:
- 1957 Chevrolet 3100 3A Truck
- 1957 Chevrolet Sedan Delivery Truck
- 1957 Chevrolet Truck 3200 Truck
- 1957 Chevrolet Truck 3400 Truck
- 1957 Chevrolet Truck 3500 Truck
- 1957 Chevrolet Truck 3600 Truck
- 1957 Chevrolet Truck 3700 Truck
- 1957 Chevrolet Truck 3800 Truck
- 1957 Chevrolet Truck
- Sedan Delivery
- Light Duty Conventional
- Light Duty Forward Control
- Medium Duty Conventional and Low Cab Forward
- Medium Duty Forward Control
- School Bus Chassis
- Heavy Duty Tandem Option
NOTE: We recently replaced the publisher of this reproduction manual. The 1957 Chevrolet Truck Shop Manual reproduced by Detroit Iron is really, really a beautiful reproduction. Check out the quality of the sample page below...
Chevy Part No. RS61S&M.
Book Excerpt: 1957 Chevy Truck Shop Manual BRAKES: BLEEDING INSTRUCTIONS
The Air-Pak brake system bleeding may be done manually or with a pressure bleeder. A pressure bleeder is recommended. The engine should be off and the brakes completely released. Do not re-use fluid which has been bled from system. The system may be bled in the conventional manner; however, if desired, the following procedure may be followed:
- Clean dirt from around cap of master cylinder reservoir, before removal of cap, and fill reservoir. If master cylinder is dry, fill reservoir first and keep filled during bleeding operation.
- With reservoir filled, attach pressure bleeder at reservoir port, and open bleed screw No. 1 on Air Pak (see figure 62). Bleed until column of fluid, free of air bubbles, appears.
- Bleed at screw No. 2 as in step 2.
- Bleed at wheel cylinders as on regular truck models.
- Flow sufficient volume of fluid from Air-Pak bleed valves and wheel cylinder bleed valves, and bleed wheel cylinders so as to insure that all air is removed from hydraulic system.
- After each bleeding operation, tighten bleed screw securely.
This manual is perfect for the restorer, or anyone working on one of these vehicles. Clear illustrations show exploded views, as well as component details, plus specs on engine data, engine torque, carburetion and more.
Subject: 1957 Chevrolet truck factory OEM shop manual. Chevy. Part number: RS-61-S&M

- Unit Serial Numbers
- Load Capacity
- Lubrication
- Body
- Frame
- Shock Absorbers
- Front Suspension
- Rear Axle
- Universal Joints
- Rear Springs
- Brakes
- Engine
- Fuel System
- Clutch
- Cooling System
- Electrical
- Transmission
- Fuel and Exhaust
- Steering
- Wheels and Tires
- Chassis Sheet Metal
- Electrical System
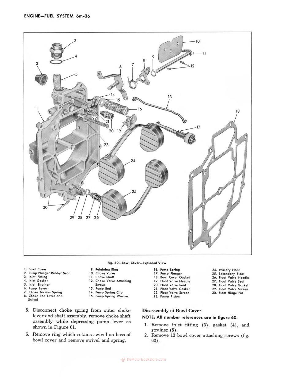
Below: 1957 Chevrolet Truck Shop Manual Sample Page - Fuel System Section